废矿物油综合利用装置项目设计制造成套装置供货
废矿物油综合利用装置项目设计,制造,成套装置供货。
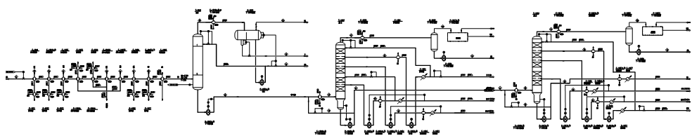
本装置是以废油、废矿物油为原料,经预处理、常减压分馏、溶剂精制后生产高质量润滑油,基础油,并副产部分燃料油组分。
本生产装置由原料预处理、常减压分馏、溶剂精制三个部分组成,共有预处理罐,脱水脱轻塔,减压塔,高真空减压塔,萃取槽,脱溶剂塔,溶剂回收塔,储罐,缓冲罐,冷换设备,机泵,自动调节阀,流量计,熔盐炉等设备组成。
废矿物油综合回收利用项目的装置单元主要包括废矿物油综合利用系统、熔盐炉系统、减压抽真空系统、VOC治理系统、废气脱臭系统。
工艺流程简述
原料自原料罐区经泵输送至装置换热,经篮式过滤器过滤后至(减一线/原料换热器),与减一线产品换热后原料升温至62℃,进入(减四线/原料换热器)与减四线产品换热温度升至98℃,进入(减二线/原料换热器)与减二线产品换热温度升至108℃,进入(减五线二次原料换热器)与减五线产品换热温度升至123℃,进入(减三线/原料一次换热器)与减三线产品换热温度升至170.5℃,进入(减五线一次原料换热器)与减五线产品换热温度升至181℃,进入(减六线/原料换热器)与减六线产品换热后,进入(残油/原料换热器)与残油换热温度升至221℃。
与相关产品逆流换热结束后进入(熔盐/原料换热器)与熔盐换热升温至250℃,进入(脱轻塔),脱轻塔顶操作温度为162℃,塔底操作温度为249℃,在此,主要脱出原料中的水及轻组分。塔底原料油经泵(T-1001底泵),送至(T-1002进料加热器)。塔顶气体经(脱轻塔顶水冷器)用循环水冷却至40℃,进入(T-1001顶分液罐),轻油部分经泵(轻油泵)一部分回到脱轻塔回流,另一部分送至罐区(轻油罐);污水自流入污水收集池,集中送至园区污水处理厂。
送至的原料油,经熔盐加热到320℃后进入(减压一塔),减压一塔塔顶压力控制在600Pa(A),减压一塔开三个侧线,减一线抽出温度为116℃,产品为轻油组分;减一线轻油利用高差自流至(减一线/原料换热器)与原料油换热后,温度降至87℃后,经由泵(减一线泵)加压后,进入(减一线水冷器)用循环水冷却至50℃,一部分作为回流回到减压一塔和脱轻塔,一部分作为产品送至罐区(轻油罐);减二线抽出温度为220℃,产品组分为100SN,由泵(减二线泵)送至(减二线/原料换热器)与原料油换热后,温度降至107℃,进入(减二线水冷器)用循环水冷却至60℃,送至罐区(75SN油罐);减三线抽出温度为283℃,产品组分为150SN,由泵(减三线泵)送至(减三线/原料一次换热器)与原料油换热后,温度降至204℃,一部分作为回流回到减压一塔,另一部分到(减三线/原料二次换热器)继续与原料油换热,温度降至145℃,进入(减三线水冷器)用循环水冷却至60℃,送至罐区(150SN油罐);塔底重油抽出温度为319℃,减压一塔塔底油经泵(T-1002底泵)送至(T-1003进料加热器)。
塔底油在E-1010AB中经熔盐加热到353℃后进入(减压二塔),减压二塔塔顶压力为400Pa(A),开有三个侧线,塔顶操作温度为100℃,塔顶组分为轻油。减压二塔最上面的侧线为减四线,抽出温度为148℃,产品组分为轻油,利用设备高差先进入(减四线/原料换热器)与原料油换热后,温度降至97℃,后经泵(减四线泵)加压进入(减四线水冷器)用循环水冷却至60℃,一部分作为回流回到减压二塔,另一部分作为产品送至罐区(轻油罐);减五线抽出温度为289℃,产品组分为250SN,由泵(减五线泵)送至(减五线/原料一次换热器)与原料油换热后,温度降至189℃,再进入(减五线/原料二次换热器)继续与原料油换热,温度降至125℃后进入(减五线水冷器)用循环水冷却至60℃,送至罐区(250SN油罐);减六线抽出温度为346℃,产品组分为350SN,由泵(减六线泵)送至(减六线/原料换热器)与原料油换热后,温度降至207℃,进入(减六线水冷器)用循环水冷却至60℃,送至罐区(350SN油罐);减压二塔底渣油抽出温度为350℃,产品组分为卷材沥青或燃料油调和组分。减压二塔塔底油经泵(T-1003底泵)送至(残油/原料换热器)温度降至195℃,进入(减六线水冷器)用循环水冷却至90℃,送至罐区(尾油罐);
减一塔塔顶气体经(T-1002顶冷却器)用循环水冷却至40℃,减二塔塔顶气体经(T-1003顶冷却器)用循环水冷却至40℃,分别进入(T-1002真空缓冲罐)、(T-1003真空缓冲罐)气液分离后,气相部分进入真空泵升压后,经脱臭作为熔盐炉燃料。液相部分是轻油,经泵(T-1002顶轻油泵)、(T-1003顶轻油泵)合并一根管线送至(轻油泵)出口一起送至罐区(轻油罐)。
熔盐系统将熔盐加热至420℃送至减压二塔、减压一塔、脱轻塔进料加热器,回流温度在390℃,实现闭路循环。熔盐循环泵实行一对一,一台泵对应一台相应的设备。
VOC治理部分,罐区放空口排出的气体及装置区安全阀泄放口、开停车时排出的气体送至VOC,VOC处理采用的是吸附除臭剂,气体经处理合格后排放大气。
絮凝部分采用的絮凝剂为碱液,由于原料油中含有杂质,篮式过滤器只能过滤掉粒径较大的杂质,外购片碱,配制成25%的碱液,用泵(絮凝剂泵)分别计量后加入到(熔盐/原料换热器)出口管线、(减一线/原料换热器)入口管线上。
冷换设备采用的循环上水进入E-1020AB、E-1028、E-1029后,再进入E-1021、E-1022、E-1023、E-1024、E-1025、E-1026AB、E-1027后回到循环水站。
有业务需求,请咨询常州市亚洲必赢有限公司芮总,咨询电话:0519-82052399
请关注亚洲必赢公司网站:www.czsngl.com
- 上一个:燃气熔盐炉在光热发电项目上的应用
- 下一个:熔盐储槽电加热器
