垃圾焚烧厂烟气-熔盐换热发电利用
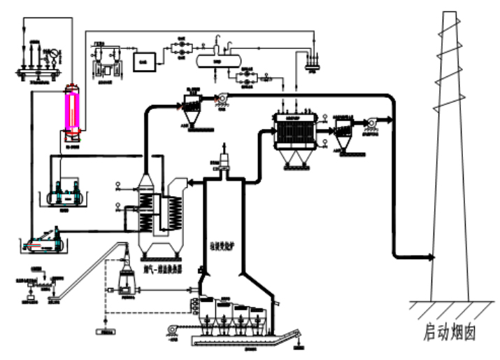
垃圾焚烧是目前垃圾处理的主要方法,焚烧过程中产生的烟气热量可以用到发电中,实现对能源的循环利用,减少排放和满足环保要求。垃圾焚烧烟气-熔烟换热发电利用流程;

采用往复炉排炉垃圾焚烧技术,垃圾抓多将仓内垃圾提升到料斗,通过给料槽连续不断加料到炉排入口。在推料器的作用下,垃圾进入炉排干燥区,通过炉排的动作,垃圾在炉排上往复前移到燃烧区,最后到达燃尽区,确保垃圾在850℃-1100℃高温下得到充分燃烧。焚烧炉焚烧垃圾产生850℃-1100℃高温烟气,利用烟气余热蒸汽锅炉产生180℃饱和蒸汽+高温烟气-熔盐换热器产生300℃-500℃的过热蒸汽,推动汽轮机做功,带动末端发电机发电。

常州市亚洲必赢有限公司是:往复炉排炉垃圾焚烧炉,烟气余热蒸汽锅炉,烟气-熔盐换热器,高低温熔盐储罐的生产供货商。
联系入:芮亚平,联系电话:13815029577
