关键词:电加热导热油炉 | 高压电极热水炉
产品描述:电加热熔盐蒸汽发生器(使用平谷电)优势介绍:使用平谷电成本价:谷电晚上23点至早上7点,总计8小时,谷电是0.3元/度,按2蒸吨蒸汽锅炉结算。功率是1400kw···
订购热线:13815029577
联系方式
CONTACT INFO
电加热熔盐蒸汽发生器(使用平谷电)优势介绍:
使用平谷电成本价:谷电晚上23点至早上7点,总计8小时,谷电是0.3元/度,按2蒸吨蒸汽锅炉结算。功率是1400kw的电费=1400度电×0.3×8小时=3360元/天。
再加水泵3kw.+熔盐泵7.5kw=11kw×8小时=88元,
总计使用低谷电成本价:=3360+88=3448元/天
而2吨锅炉使用成本价:600元/小时(其他杂费不算)
600×8=4800元/天,用低谷电省=5000-3500=1500元/天
相对于2吨燃气蒸汽锅炉,每天节省1500元。
使用电加热熔盐蒸汽发生器相对燃气蒸汽锅炉优势:安全,环保,节省使用成本,不受政府部门管制。

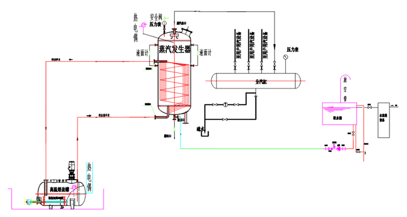
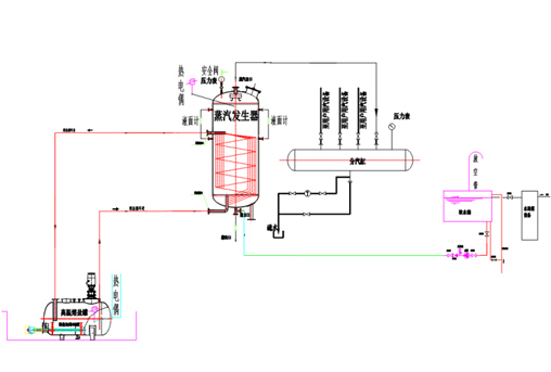
电加热熔盐蒸汽发生器具体配置:熔盐槽,熔盐泵,电加热棒,蒸汽发生器,仪表阀门,给水系统,控制系统,分气缸,电控柜。
作者:常州市亚洲必赢有限公司芮亚平,咨询电话:0519-82052399






