关键词:燃气熔盐炉 | 燃气熔盐加热炉 | 熔盐炉 | 熔盐加热炉
产品描述:燃气熔盐炉安装熔盐炉、辅机设备及系统管线的安装工作应在各项准备工作就绪,须持有“锅炉安装许可证”的单位安装。1熔盐炉房及设备的布置要求1.1 熔盐炉房及布置要求···
订购热线:13815029577
联系方式
CONTACT INFO
燃气熔盐炉安装
熔盐炉、辅机设备及系统管线的安装工作应在各项准备工作就绪,须持有“锅炉安装许可证”的单位安装。

1 熔盐炉房及设备的布置要求
1.1 熔盐炉房及布置要求
△ 应符合国家卫生、环保、消防及安全运行有关规定。
△ 选址应可能靠近用热设备,以减少熔盐循环泵压头损失和减少管道热损失。
△ 应有足够的场地方便燃气熔盐炉的安装、检修、操作、运行。
1.2 设备布置要求
△ 熔盐炉房的设备布置要求,可参照我厂随机提供的出厂文件“设备布置参考图”。
△ 鼓风机、余热回收装置可设置在熔盐炉房外。
2 基础施工
2.1 主机基础按照我厂提供的基础条件图并结合当地地质情况进行设计和施工。
2.2 辅机基础按照辅机安装尺寸简图及其安装使用说明书进行。
2.3 基础施工时应充分考虑供水、供电等配套管线。

3.主机安装
①应由具备安装和吊装知识的人员进行。
②将炉体就位在基础上找正、固定。炉体安装方位参照我厂随机提供的设备布置参考图,以布管和观察现场仪表、操作使用方便为准。
③烟道防爆门设置在加热炉烟气出口处,防爆门周围不得有任何阻碍防爆门起跳的障碍物,防爆门起跳区域应有明显标志,提醒人员注意安全。安装时应检查防爆门开启是否灵活,防爆门的安全销应装牢。
④烟道截面不小于炉体出口处截面,具体要求见加热炉安装总图。
⑥烟囱直径及高度应符合技术及环保要求。
4 辅机安装
所有辅机可参照设备布置参考图的要求,在相应的基础和位置上进行安装就位、紧固。其中熔盐槽、循环管道安装验收合格后须保温。
5 电气控制柜及检测仪表的安装
5.1 电气控制柜位置确定后,汇集所有电动机和有关检测显示线路,然后接通外来电源,箱壳要有良好的接地。
5.2 K型热电偶的安装(供参考)
安装时需选择能准确地测出被测介质的温度,并与被测介质接触良好的地方。应插在介质流速大的区域,防止插在死角,保证测温元件在介质流速中心线附近。在不同管道上应采取不同的安装方法。本熔盐炉熔盐循环管线上所有的热电偶均采用法兰连接,如图三。管道直径在125mm以上时,可与管道成直角,如图a;在100~Φ125mm之间可成60°角,并迎着流束,如图b;在75~Φ100mm时,装在管道拐弯处迎着流束,如图c;在75mm以下时,为防止热量散失可加扩大管,方向迎流束,如图d。(详见热电偶说明书)

热电偶安装图
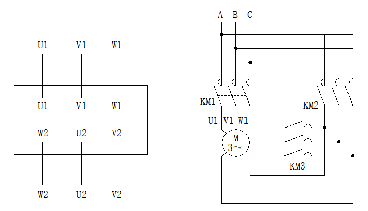
电机Y-△起动的接线(供参考):见图四,电机出线六个端子分别按图接在电柜标设的U1、V1、W1、U2、V2、W2端子,电机的接地线标志处接至电柜的N端子。

Y-△起动控制图
6 管道的安装

① 燃烧系统管道的安装参照随机出厂图—燃烧系统流程图。
② 供热系统管道的安装按照工艺流程图进行。
③ 用作受压管道的主体材料应有相应质量说明书。
④ 管道的连接口,应尽量采用焊接连接。
⑤ 管道的焊缝需由相应的合格焊工施焊。
⑥ 管道的布置应有坡度,以便系统排气和熔盐排尽。
⑦ 管道和烟道的重量不能架设在设备上,应有各自的支承。
⑧ 用热设备的熔盐管口的布置尽量采用“低进高出”,以利排气。
⑨ 管道安装完毕后,应按设计规定对管道系统进行试压,以检查管道系统及各连接部位的工程质量。
⑩ 供热主管道、烟风道安装完毕合格后,可进行保温,保温材料应选用绝热性能好、不燃型的保温材料保温。
推荐涂色标志: 供热主管道 红色
风 道 蓝色
烟 道 黑色
7 试验
熔盐炉安装完毕后,以1.5倍工作压力进行水压试验,试压合格后,放净炉管内积水。
余热蒸汽锅炉安装完毕后,按“余热蒸汽锅炉安装使用数明书”的要求进行水压试验。
客户如有需求,请联系热能专业人士芮先生,联系电话:0519-82052399,并关注常州市亚洲必赢有限公司网站产品,网址:www.czrsgl.com,www.czrfl.cn,www.rsdryl.com邮箱czjnguolu@163.com






